安徽威帆傳動機械有限公司-產品資料
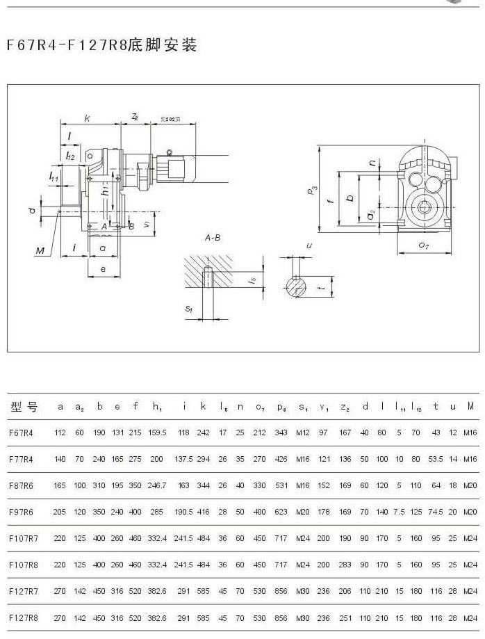
F67R4-F127R8底腳安裝
上一頁
下一頁
上一頁
下一頁
Copyright © 2007 - 2026 All Rights Reserved 安徽威帆傳動 www.wypi.cn